詳細信息
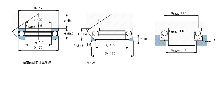
| 推力球軸承, 單向,帶球面軸承座墊圈 | ||||||||||||
| 公差 , 參見文字 | ||||||||||||
| 推薦配合 | ||||||||||||
| 軸和軸承座公差 | ||||||||||||
|
|
||||||||||||
| 主要數據尺寸 | 基本負荷額定值 | 疲勞負荷限值 | 最小負荷系數 | 額定速度 | 體積 | 型號 | ||||||
| 動態(tài) | 靜態(tài) | 參照速度 | 限制速度 | 軸承 +墊圈 | 軸承 | 基座墊圈 | ||||||
| d | D | H1 | C | C0 | Pu | A | ||||||
|
|
||||||||||||
| mm | kN | kN | - | r/min | kg | - | ||||||
|
|
||||||||||||
| 100 | 170 | 64 | 229 | 610 | 19,6 | 1,9 | 1400 | 1900 | 5,95 | 53320 | U 320 | |

