詳細信息
| 角接觸推力球軸承 for screw drives, single direction | |||||||||||
| 公差, inner rings, outer rings, see also text | |||||||||||
| Preload, see specific bearing, see also text | |||||||||||
| Shaft fits, housing fits | |||||||||||
| 軸和軸承座公差 | |||||||||||
|
|
|||||||||||
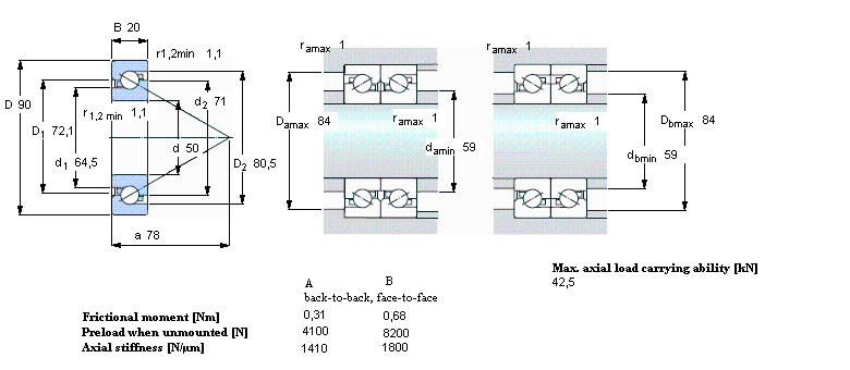
| 主要數據尺寸 | 基本負荷額定值 | 疲勞負荷限值 | 可達到的速度 | 體積 | 型號 | ||||||
| 動態(tài) | 靜態(tài) | 當潤滑與 | SKF | SNFA | |||||||
| 油脂 | 滴油潤滑 | ||||||||||
| d | D | H | C | C0 | Pu | ||||||
|
|
|||||||||||
| mm | kN | kN | r/min | kg | - | ||||||
|
|
|||||||||||
| 50 | 90 | 20 | 46,5 | 146 | 5,4 | 6000 | 7000 | 0,56 | BSA 210 CG | BS 250 7P62U | |

