詳細(xì)信息
| 緊定套 | ||||||||||
|
|
||||||||||
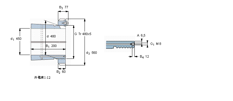
| 尺寸 | 體積 | 型號(hào) | ||||||||
| 緊定軸套帶螺母 | 鎖定螺母 | 鎖定裝置 | 適宜的液壓 | |||||||
| d1 | d | d3 | B1 | G | 和鎖緊裝置 | 螺母 | ||||
|
|
||||||||||
| mm | kg | - | ||||||||
|
|
||||||||||
| 450 | 480 | 560 | 200 | Tr 480x5 | 66,0 | OH 3996 H | HM 3096 | MS 30/500-96 | HMV 96 E | |

